010 - 88125588

北京航天常兴科技发展股份有限公司
地址:北京市大兴区金星路 30 号
邮编:102600
邮箱:htcx@htcxcloud.com
电话:010-88125588
010-88121515
010-69297973
传真:010-88125588 转 833
电气安全服务专线:400-968-0119
电气火灾监控系统,是火灾自动报警系统的独立子系统,属于火灾自动报警系统。可以在电气线路及所在线路中的配电设备或用电设备发生电气故障并产生一定电气火灾隐患的条件下发出声、光报警,及时提醒专业人员排除电气火灾早期隐患,实现电气火灾的极早期预防,有效避免电气火灾的发生。
第一节 电气火灾成因
接地故障和带电导体间的短路线路负载过重是电气火灾的基本成因,电气火灾中的接地故障指的是带电导体与地面的短路,如下图所示:

电气火灾主要是由于线路漏电、短路、过流、接触电阻过大或绝缘击穿造成高温、电火花和电弧等所造成的。其中,发生概率最高、危害最大的是接地故障产生的电弧性短路,这是因为漏电时形成的电弧具有很大的阻抗和电压降,它限制了故障电流,使过电流保护器不能动作,而漏电几百毫安电弧产生的局部高温可达 2000℃ 以上,可以引燃临近的可燃物而引起电气火灾。就电气火灾而言,接地故障远较一般短路故障具有更大的危害性,它是最常见最多发的电气火灾起火源。
第二节 电气火灾监控系统简介
电气火灾监控系统:简称 EFP-ACS,用于在线监测 AC220V/380V 配电线路的剩余电流(即漏电电流)和线路温度值,当被监测的线路任一回路漏电电流和温度超过报警值时,系统立即发出报警信号,显示漏电电流、温度大小,并显示出报警地址号及所在方位。安装电气火灾监控系统能有效预防因漏电导致接地电弧短路、过温所引起的电气火灾。
电气火灾监控系统由监控设备(EFP-ACN)与监控探测器(EFP-CLD)组成。探测器采用剩余电流互感器(ZT)、感温探头(PT)来检测配电线路的漏电电流、温度,并把相关信息经总线传送至监控设备,监控探测器也可同时具有检测温度或漏电电流功能。监控设备安装在值班室,实时接收探测器发送的漏电报警值、线路温度值和监测设备故障信息,具有声光报警、数字显示、数据存储、查询、打印信息、报警信号输出及控制信号输出等功能。系统构成如下图所示:

电气火灾监控系统(EFP-ACS)组成示意图
对于有多个变电室的大型用电单位,可设置多个电气火灾监控子电气火灾监控支路,系统的 Hub 集线器把报警信号传给总值班室的计算机,构成计算机集中监测的集散管理系统。如下图所示:

计算机集中管理监控系统
第三节 产品特点和技术特性
● 在线检测 24小时实时在线检测低压配电系统的绝缘性能,提高预警,提示检修,提高配电系统的本质安全度,是预防和减少电气火灾的有效技术手段。
● 功能完备 数字显示漏电电流值、声光报警、手动自检、预检、设备故障自动检测、数据存储和查询、报警信号输出、控制信号输出、打印信息、与上位 计算机联网。
● 品种齐全 多种型号的漏电探测器、温度探测器及过流探测器,能独立使用也可以和电气火灾监控设备联机构成系统使用,满足各种用户需求。
● 使用可靠 剩余电流互感器的屏蔽结构保证了良好的抗电磁干扰能力,杜绝发生误报警。
● 安装方便 剩余电流互感器为对插式结构,安装时不必断电断线。
第四节 系统产品介绍
1. DJ-800 系列电气火灾监控设备
电气火灾监控设备安装在值班室,以总线方式与多台监控探测器相连,接受各监控探测器发送的漏电、温度报警信息构成分散监测集中报警的电气火灾监控系统。

● 软件功能 监控软件能接收多台剩余电流探测器的剩余电流、温度等信息,显示屏指示报警部位及剩余电流值、温度值,同时记录时间及所在位置信息,也可远程对探测器集体复位、设置等操作,对于声音报警信号可以使用消音键手动消除。
● 故障报警功能 当电气火灾监控设备与所接的任一台探测器之间发生通讯故障时,监控设备主屏中相应探测器的标志灯显示黄色,由此可以确定与哪台探测器的通讯发生了故障。当电气火灾监控设备主电源故障或备用电源故障时,也会在监控设备主屏任务栏里面显示。
● 数据存储及打印功能 当发生剩余电流漏电报警、通讯故障时,电气火灾监控设备会自动把报警、故障相关信息存储在数据库中,以便及时查询相关信息和及时打印相关信息。
1.1 电气火灾监控设备型号表示方法

1.2 产品配置、外观一览表(单位mm)

1.3 主要功能和技术性能指标

2. DT-200系列电气火灾监控探测器
按检测功能,监控探测器可分为以下 3 类:
● 剩余电流式电气火灾监控探测器 由剩余电流互感器和剩余电流式电气火灾监控探测器本体组成,用于检测配电线路的剩余电流值。
● 测温式电气火灾监控探测器 由温度传感器和测温式电气火灾监控探测器主体组成,用于检测配电线路线缆及配电箱体的工作温度。
● 组合式电气火灾监控探测器 既可以测配电系统温度值也可以测配电系统剩余电流值。最多可监测4路温度值和4路剩余电流值。
▲ 电气火灾监控探测器可以单独使用,也可以和电气火灾监控设备或智能数据传输单元(iDTU)配合使用构成无线联网数据业务系统。
2.1 电气火灾监控探测器型号表示方法

2.2 产品配置、外观一览表(单位mm)

2.3 主要功能和技术性能指标

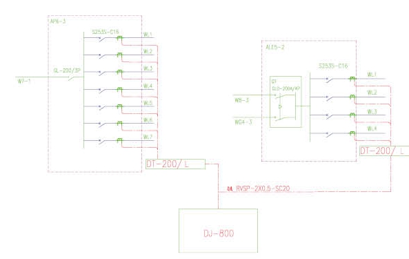
2.4 电气火灾监控探测器接线示意图
2.4.1 剩余电流式、测温式电气火灾监控探测器接线图
如下图所示的接线端子排,按面板上的接线铭牌所示,在“总线”处接入通讯线,A为正(+)、B为负(-),根据不同功能的电气火灾监控探测器( L剩余电流式、W 测温式),在输入1、2、3、4、5、6、7、8处分别接入 1-8 路剩余电流互感器或温度传感器(不分极性)。

剩余电流式(L)、测温式(W)探测器端子接线图
2.4.2 混合型电气火灾监控探测器接线示意图
如下图所示的接线端子排,按面板上的接线铭牌所示,在“总线”处接入通讯线,A为正(+)、B为负(-),根据不同功能的电气火灾监控探测器回路监测功能需求,在输入1、2、3、4处接入剩余电流互感器(不分极性)5、6、7、8处接入温度传感器(不分极性)。

混合式(LW)探测器端子接线图
2.5 电气火灾监控探测器安装方法
以模块式电气火灾监控探测器为例,按照下图安装尺寸在所需安装方位或配电箱壁上下钻孔,用探测器所配套的卡扣和螺钉固定即可。也可以选择标准导轨安装。

电气火灾监控探测器安装示意
2.6 剩余电流互感器
剩余电流互感器,用于提取被监测电气线路的剩余电流值,是保证检测剩余电流值精度和可靠性的关键器件,
2.6.1 剩余电流互感器型号尺寸表示方法
2.6.2 ZT高精度对插式剩余电流互感器
航天常兴自主研制的高精度对插式剩余电流互感器为自有专利产品,具有如下特点:
● 高灵敏度、高精度(1%) 具有优良的比差和角差特性
● 抗电磁干扰能力强 当周边干扰电流为100A时,其干扰感应电流<10mA
● 对插式结构安装简单方便 工程使用无需断电断线

2.6.3 CT贯通式剩余电流互感器
贯通式剩余电流互感器,采用铁基材料制成,外部由环氧树脂封装,抗干扰能力和防水能力超强,且体积小外形、规格丰富、应用较为灵活方便。

2.6.4 剩余电流互感器的使用、安装方法及外形尺寸
■ 使用方法
如下图所示,将互感器套在被测线缆上,对于三相线路 L1、L2、L3 及 N 相线要同时穿过剩余电流互感器内径,对于单相线路 L 及 N 相线要同时穿过剩余电流互感器内径。剩余电流探测器的 ZT 量即是被测线路的剩余电流值,俗称漏电值。

剩余电流互感器使用示意图
对插式剩余电流互感器可以用尼龙扎带直接固定于所使用区域线缆上,也可以把对插式剩余电流互感器直接固定于配电箱体上。对插式剩余电流互感器的配件中有安装箱体固定支架,支架式安装形状尺寸如下图:

对插式剩余电流互感器外形及固定支架尺寸图
■ 对插式剩余电流互感器 选型

■ 贯通式剩余电流互感器 安装方法、尺寸
.jpg)
圆形剩余电流互感器 矩形剩余电流互感器

■ 矩形剩余电流互感器 选型

第五节 电气火灾监控系统设计图形符号

注:探测器图形符号中的 n 表示剩余电流互感器或温度传感器数量,即 L01、L04 等。
第六节 电气火灾监控系统的组成及设计图例
● 独立式电气火灾监控探测器
航天常兴的电气火灾监控探测器可以独立使用。探测器具有数字显示、声光报警、通讯、输出等功能。
应用场合:主要适合于较小的用电单位 / 用于有人值守的单位及场合。

在大多数实际应用中,通常采用多台监控探测器与电气火灾监控设备构成电气火灾监控系统。探测器分别安装在配电系统分级保护的一级或二级配电箱处,监控设备安装在值班室或中控室内。
根据拟安装位置所需求的监测回路数量,可以混合选用 1 路、4 路、8 路剩余电流式电气火灾监控探测器或者测温式或混合式电气火灾监控探测器。
例:N 台 DT-200/L 或 DT-200/W 或 DT-200/LW 电气火灾监控探测器与 DJ-800 电气火灾监控设备最多构成 3760 路分散监测所在线路剩余电流值、温度值集中报警的电气火灾监控系统。
电气火灾监控设备具体回路数、地址数视不同机型和客户选择而定。
系统示意图及设计示意如下图:

第七节 电气火灾监控系统的设计应用
在低压配电系统中,为了缩小发生事故和接地故障切断电源时引起的停电范围,保护装置一般都采用 分级 或 逐级保护。
一般情况下分为三级。与此相对应,预防电气火灾的监控探测器的安装位置通常位于三级保护的一级、二级处。
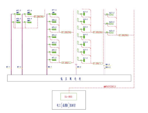
7.1 在中小型的低压配电系统中,监控探测器宜设计于配电系统图上,剩余电流互感器和温度传感器安装在配电柜电缆的出线上,监控设备设置在值班室或中控室内。下图为配电线路电源端(第一级)安装监控探测器的设计图例:

7.2 在大中型低压配电系统中,监控探测器宜设计于配电干线分支系统图楼层配电箱,剩余电流互感器安装在配电柜电缆的进线端。下图为在配电线路干线分支(第二级进线端)安装剩余电流监控探测器的设计图例:

或者,也可以画在配电箱系统图上,剩余电流互感器安装于配电箱(柜)电缆的进线端。如下图所示:

在配电箱系统图的电缆出线端,安装监控探测器的设计图例如下所示:

第八节 设计选型注意事项
电压配电系统有多种接地形式,安装电气火灾监控系统的配电系统要求其接地形式为TN-S、TT系统,在TN-C系统中应将电气火灾监控探测器安装在重复接地点之后,即TN-C-S系统中。
电气火灾监控探测器安装在分级保护中的一级或二级位置的电缆进线处,可以掌握整个配电系统的电气绝缘状况,安装在配电箱电缆出线端,能够较为快捷定位漏电(过温或过流)的故障点,但系统较为庞杂。如果只监测系统的一级或二级部分回路,应选择那些电气火灾危险性大且较重要的部位以及不允许随意断电的线路。
电气火灾监控系统与已经普遍应用的感烟火灾报警系统,在监控对象、功能作用、安装位置、监测点布局、报警后处理等各方面都有很大区别,一般不应把两者混在一起。但在智能化建筑中,可以把电气火灾监控系统的报警信号传送给火灾自动报警系统主机。更可以通过智能数据传输单元实现云平台大数据实时共享业务。
第九节 剩余电流值排查工具
- 适用于微小漏电电流监测,可以测量影响电气设备的3、5、7、9次高次谐波;
- CT部分和显示部分可以分开,读值和测量操作更为便捷;
- 可以配不同尺寸C,适用于各种配电场合。





第十节 电缆型号、空开容量与互感器选型表

第十一节 数据汇总:为什么安装电气火灾监控系统

微信
抖音