010 - 88125588

消防设备电源监控系统

首页 / 消防设备电源监控系统

联系方式 / Contact

北京航天常兴科技发展股份有限公司

地址:北京市大兴区金星路 30 号

邮编:102600

邮箱:htcx@htcxcloud.com

电话:010-88125588

           010-88121515

           010-69297973

传真:010-88125588​ 转 833

电气安全服务专线:400-968-0119

消防设备电源监控系统

来源:本站 时间:2019/5/13 2570

消防设备电源监控系统

第一节 系统简介

   消防设备电源监控系统用于一般工业与民用建筑中AC220V/380V配电线路中安装的消防设备电源的在线监控,当消防设备电源发生过压、欠压、过流、漏电、缺相等故障时监控系统能立即发出报警信号,可及早发现问题从而避免各种事故的发生。

   消防设备电源监控系统由消防设备电源电压/电流信号传感器、消防设备电源监控器组成。信号传感器用于各种电参数的检测,监控器用于对监测模块的集中监控。二者通过RS485总线相连后构成分散式监测集中式报警的消防设备电源监控系统,如下图所示:

 

消防电源监控系统组成

 

   消防设备电源电压/电流信号传感器采用剩余电流互感器(ZT)监测配电线路的漏电电流,采用电流互感器(CT)监测线路中的过线负载电流,同时也监测电路的三项电压值。传感器检测的信息经总线传输至监控器,监控器实时接收各传感器发送的各种信息,并在监控器屏幕上实时显示,监控器具有声光报警、数字显示、数据存储、查询、打印输出、报警信号输出等功能。

   消防设备电源电压/电流信号传感器安装于配电盘或配电柜内,监控器安装于值班室。

 

第二节 消防设备电源监控器

   ●监控器规格型号表示方法

监控器规格型号表示方法

 

   ●监控器产品一览表

   ●监控器功能

1 报警功能:监控器安装在值班室,以总线方式与多台检测模块相连,接收各检测模块发送的漏电、过流、过压、欠压、缺相等报警信息,报警时发出声光报警信号,报警时间<30s。

2 故障报警功能:监控器在接收监测模块发送的报警信息同时,也接收监测模块自身的故障信息,当:监测模块运行不正常时显示:

监测模块与监控器之间通讯不正常

监控器的电源电压>242V及<175V(过压与欠压)

电池电压<21.6V(电池故障)

监控器发出故障报警信号,报警时间<100s

3 报警信息记录、存储、查询功能:监控器能够记录报警的发生时间、类型、参数、并具有查询功能。存储信息容量:<3000条。

4 打印功能(选配)

5 总线通讯功能。

  • 监控器技术参数

1 监测电压:过压(>110%电压额定值) 欠压(<85%电压额定值)

2 监测电流:过流(>160%电流额定值)

3 监测剩余电流:范围5mA-1.0A,检测精度±3%FS,报警值:(80%-100%)*报警设定值

4 电源:AC220V  功耗:100W(标准容量)

5 备用电池:DC24V铅酸电池,容量10AH-65AH

6 绝缘能力:电源端子及其它接线端子与外壳金属部分施加AC2000V 50Hz,一分钟内无异常

7 绝缘电阻:电源端子与外壳金属部分之间绝缘电阻大于50MΩ,其它端子与外壳金属部分之间的绝缘电阻大于20MΩ

8 使用环境:室内安装温度-10℃-40℃,相对湿度<90%

  • 与电压/电流信号传感器(监测模块)通讯

监控器与检测模块通讯采用RS-485总线,具有多个下行通讯接口及一个或多个上行接口,用于将所有的监测模块通讯数据整理汇总后,实时送至监控器。另一方面接收监控器下达的命令,完成对各监测模块的参数整定。下行通讯口:2个RS485,上行通讯口:1个RS485、1个232。每个下行口最大可带72台探测器,与上级监控设备采用A类屏蔽双绞线连接。监测模块把信息以efire协议传给监控器,传送距离<1.2Km

 

第三节 消防电源监测模块

   ●监测模块分类

1 交流电压、交流电流监测模块:用于检测配电线路的漏电电流、交流电压、交流电流等

2 交流和直流电压、电流监测模块:用于检测配电线路中的交流电压、交流电流、直流电源、直流电流等

   ●电压/电流信号传感器(监测模块)规格型号表示方法

 

   电压/电流信号传感器(监测模块)产品一览表

 

  

电压/电流信号传感器(监测模块)功能

   1 监测报警功能:当被监测的设备电源发生过压、欠压、过流、漏电、缺相等故障时信号传感器立即发出声光报警信号,报警时间:<60s

   2 故障报警功能:当监控模块发生以下情况时,监控模块发出故障报警信号:

  • 监控模块运行不正常
  • 监控模块与监控器之间连接线断路、断路
  • 故障报警时,信号传感器立即发出声光报警信号,并把信号传给监控器

   3 通讯功能:监测参数通过RS485总线efire协议传给消防设备电源监控器

  • 电压/电流信号传感器(监测模块)技术参数

   1 监测电压:过压(>110%电压额定值) 欠压(<85%电压额定值)

   2 监测电流:过流(>160%电流额定值)

   3 监测剩余电流:范围:5mA-1A、检测精度:±3%FS、报警值:(80%-100%)*报警设定值

   4 电源:DC24V,电源来自监控器或专用电源箱。功耗:<1W

   5 绝缘电阻:电源端子与外壳之间绝缘电阻大于50MΩ,其它端子与外壳之间绝缘电阻大于20MΩ

   6 绝缘能力:电源端子与外壳之间施加AC2000V、50Hz电压,其它端子与外壳之间施加AC500V、50Hz电压,一分钟内无异常

   7 使用环境:室内安装,温度-10℃-40℃,相对湿度90%以下

  

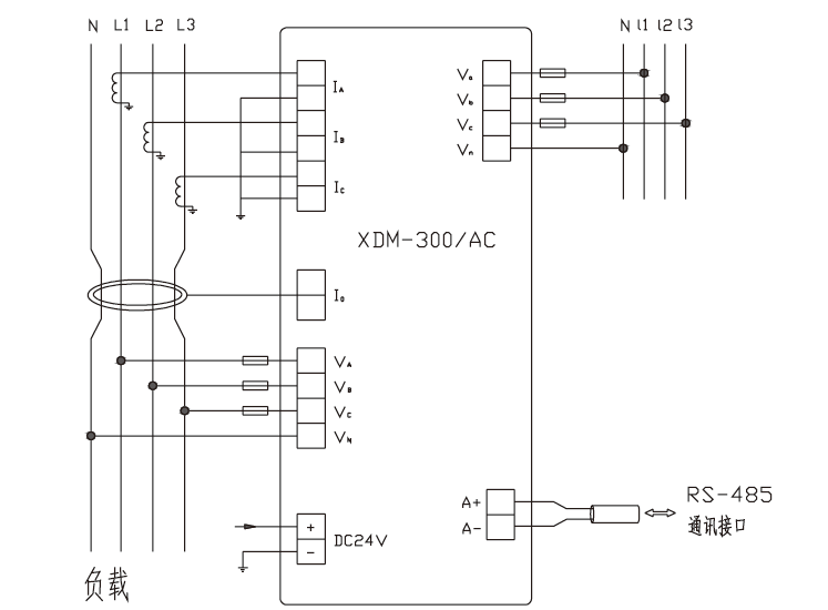
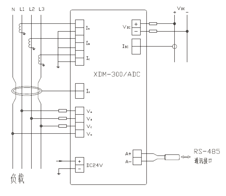
  • 电压/电流信号传感器(监测模块)接线

XDM-300/AC监测模块原理接线图

 

XDM-300/ADC监测模块原理接线图

 

第四节 系统安装及使用方法

   ●电压/电流信号传感器(监测模块)的安装

监测模块安装于消防配电盘或配电柜内监测配电线路的工作状态

安装监测模块时,根据现场情况可以选用螺钉固定或导轨安装。接线如下图所示:

配电盘/柜接线图示意

   图中:☆ 第一条被测电缆的监测内容:

          1  L1、L2、L3三相电压:过压、欠压、缺相、错相等

          2  L1、L2、L3三相电流:过流

  1.  漏电监测

☆ 第二条被监测电缆的监测内容:

 1  I1、I2、I3三相电压:过压、欠压、缺相、错相等

  • 交流电压信号采取

使用附件中的线夹采取电压信号,把线夹分别夹住L1、L2、L3相线及N线

  • 交流电流信号的采取

电流信号取自配电盘、柜中电流互感器的二次侧,即电流互感器次级线直接与监测模块接线端子相连接,配电盘、柜中电流互感器的变比有200:5/500:5/1000:5等,设备出厂时根据实际变比进行设定

  • 直流电压信号的采取

使用附件中的线夹采取电压信号,把线夹分别夹住被测直流线的+、- 级

  • 直流电流信号的采取

使用霍尔传感器,把直流电线的一根直接穿过霍尔传感器

  • 漏电信号的采取

使用剩余电流互感器采取漏电信号。剩余电流互感器有对插式互感器和贯通式互感器两种,对插式互感器性能好且安装维护方便

                                          对插式互感器                                                                                              贯通式互感器

  • 监控器的安装

按形式及配置不同选择监控器,监控器安装于电工值班室或消防中控室,监测模块与监控器以总线方式相连接,总线应穿管安装

  • 消防电源监控系统组成

XDM-300/AC监测模块与XDJ-900监控器连接使用来构成消防设备电源监控系统

监测模块分别安装于配电盘、箱处,监控器可与480只监测模块相连接,同时监测480路消防配电线路,监控系统的连接如下图所示:

消防电源监控系统组成

 

第四节 消防设备电源监控系统的设计应用

   ●监测模块的适用范围

   ☆消防负荷电源

   建筑物内为各类消防设备供电的交流或直流电源,包括主电源和备用电源

   ☆正常负荷电源

   重要用电负荷、一级负荷、二级负荷

   ●通常消防负荷及监测模块具体设置场所和监测内容如下图所示:

  • 消防电源监控系统设计图例




微信 微信
抖音 抖音
 
Copyright © 2001-2026 北京航天常兴科技发展股份有限公司 All Right Reserved. www.htcxcloud.com
电气火灾监控系统 | 智能疏散指示系统 | 漏电探测器 | 剩余电流探测器 | e火控系列 | DT-200 T201LW T204L T204W J80 | 航天常兴  网站地图
建议使用Chrome、Firefox、Edge、IE10及以上版本和360等主流浏览器浏览本网站